15 изобретений Томаса Эдисона, которые изменили мир - ФОТОСЕССИЯ
11 февраля 1847 года в городке Милан, штат Огайо, родился Томас Алва Эдисон - невероятно успешный изобретатель, ученый и бизнесмен, получивший за свою жизнь 1093 патента.
Свой первый патент Эдисон зарегистрировал в 22 года. Позже в своей лаборатории в Менло-Парк, штат Нью-Джерси, он работал настолько продуктивно, как "горячие пирожки" создавая революционные новинки, что как-то раз пообещал выдавать по одному мелкому изобретению каждые 10 дней и по одному крупному каждые полгода. И хотя многие из приписываемых ему открытий были созданы другими людьми, в любом случае Эдисон сыграл немалую роль в формировании современного мира. И сегодня мы вспоминаем самые главные технические достижения американского инженера, максимально повлиявшие на современный мир.

1. Электрический счетчик голосов на выборах.
Это был первый патент Эдисона. Устройство позволяло избирателям нажимать кнопки "да" или "нет", вместо того чтобы писать на бумаге. К сожалению, спроса на этот прибор не было - как оказалось, при его использовании политики уже не могли столь беззастенчиво обманывать присутствующих и с помощью подтасовок результатов склонять коллег к изменению их мнения. Парламент отказался от изобретения в пользу привычного письменного счета.

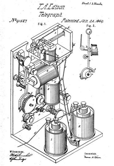
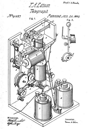
2. Автоматический телеграф.
Чтобы усовершенствовать телеграф, Эдисон создал еще один - на основе изобретенного им же перфорированного бора - для которого не нужен был человек, чтобы печатать сообщение на другом конце. Эта новая технология увеличила количество слов, передаваемых в минуту, с 25-40 до 1000! Эдисон также стал изобретателем "говорящего телеграфа".

3. Электробор.
Предшественником перфорированного бора, который проделывал отверстия в телеграфах, стал электробор, создающий трафарет для пишущего, который можно было использовать, чтобы оттиснуть чернила на бумаге и сделать дубликаты.

4. Фонограф.
Фонограф записывал и воспроизводил слышимые звуки сначала с помощью парафиновой бумаги, а затем с помощью металлической фольги на цилиндре. Эдисон создал множество версий за несколько лет, все больше и больше совершенствуя каждую из моделей.

5. Угольный телефон.
Эдисон усовершенствовал слабое место телефона Александра Белла - микрофон. В первоначальной версии использовался угольный стержень, но Эдисон решил применить угольную батарею, что заметно повысило стабильность и дальность сигнала.

6. Лампа накаливания с угольной нитью.
Лампа накаливания Эдисона с угольной нитью представляла собой первый коммерчески выгодный источник электрического освещения. Предыдущие версии были не настолько мощными и для их изготовления использовали слишком дорогостоящие материалы, такие как платина.

7. Электроосветительная система.
Эдисон спроектировал свою систему электрического освещения, чтобы поддерживать один и тот же объем электричества по всему устройству. Свою первую постоянную станцию он установил в Нижнем Манхэттене.

8. Электрогенератор.
Эдисон спроектировал устройство для контроля подачи электричества между устройствами - эта идея использовалась во многих его творениях, таких как лампа накаливания.

9. Мотограф (громкоговорящий телефон).
Это устройство понижало электрические токи от высоких до низких, что позволило передавать звуки голоса на дальние расстояния и на более высокой громкости. Еще одно изобретение Эдисона - угольный реостат - помогло создать мотограф. Громкоговорящий телефон Эдисона в течение нескольких лет применялся в Англии.

10. Технология использования топливных элементов.
Эдисон стал одним из многих в длинной цепочке изобретателей, пытавшихся создать современный топливный элемент - устройство, которое производило бы энергию от реакции между водородом и кислородом, оставляя в качестве побочного продукта лишь воду.

11. Универсальный принтер.
Хотя Эдисон не изобретал биржевой телеграфный аппарат, он усовершенствовал собственную телеграфную технологию, чтобы создать универсальный принтер, который работал быстрее, чем существовавшая версия.

12. Магнитный сепаратор железной руды.
Эдисон спроектировал устройство, которое разделяло магнитные и немагнитные материалы. Таким образом можно было отделять железную руду от непригодных низкосортных руд. Эта разработка в дальнейшем легла в основу фрезерной техники.

13. Кинетоскоп.
Эдисон искал способ создать "инструмент, который сделает для глаза то же самое, что фонограф для уха". Кинетоскоп показывал фотографии в быстрой последовательности, из-за чего казалось, будто изображение двигалось.

14. Щелочная батарея.
Экспериментируя с железно-никелевым аккумулятором, Эдисон применил щелочной раствор, позволивший получить более "долгоиграющую" батарею. Этот продукт впоследствии стал одним из самых продаваемых.

15. Цемент.
Хотя цемент уже существовал, Эдисон усовершенствовал его производство с помощью вращающейся печи. Разработки изобретателя, а также его собственная компания Edison Portland Cement сделали этот продукт коммерчески доступным.
Заметили ошибку в тексте? Выберите текст и сообщите нам, нажав Ctrl + Enter на клавиатуре